Aktywowano KUPON RABATOWY nr o wartości %
Miejsca układania taśmy bentonitowej Waterstop-RX powinny być czyste i w miarę suche. Należy usunąć z nich kurz, gruz, rdzę i inne zanieczyszczenia. Nie wolno układać taśm na powierzchniach pokrytych wodą.
Instalacja. Taśmę należy stopniowo rozwijać ze zwoju i układać w złączu betonowym, dociskając ją do podłoża poprzez papierowy pasek ochronny. Po umieszczeniu taśmy we właściwej pozycji, papierowy pasek należy usunąć. Na taśmę nakłada się wówczas siatkę REVO-FIX, której 60 centymetrowe odcinki łączy się na zakład. W miejscach zakładów wbija się gwoździe, przytwierdzające siatkę i taśmę do podłoża betonowego. Dodatkowe gwoździe należy wbić pomiędzy zakładami, przez co uzyskuje się ich stały, 30 cm rozstaw.
W przypadkach, gdy nie jest możliwe zastosowanie siatki i gwoździ, taśmę przytwierdza się do podłoża klejem A-2000WB w sposób następujący: za pomocą wałka lub pędzla należy nanieść na podłoże cienką warstwę kleju o szerokości taśmy i grubości co najmniej 0,1 mm. Po 10--15 minutach klej zmieni kolor z szarego na czarny i od tego momentu można przyklejać taśmę, lecz nie później niż w ciągu dwóch godzin.
Wydajność kleju: 31 mb/ 1 l.
Klej A-2000 WB może być rozprowadzany na wilgotne powierzchnie i świeży beton, ale nie można go nakładać na powierzchnie pokryte wodą.
Sąsiednie odcinki taśmy łączy się przez zetknięcie ich końcy tak, aby tworzyły ciągły pas uszczelnienia. Nie należy robić zakładów. W koniecznych przypadkach końce odcinków taśmy przycina się nożem. Przy montażu taśm w pozycji pionowej należy je układać od dołu do góry, aby nie powodować ich wyciągania się.
- Waterstop-RX 101 wymaga co najmniej 7,5 cm otuliny betonu (rys. B 3.1).
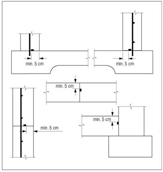
- Waterstop-RX 103 wymaga co najmniej 5 cm otuliny betonu (rys. B 3.2).
Nie powinno się dopuszczać do przedwczesnego uaktywnienia taśmy przez zanurzanie jej w wodzie lub pozostawianie w kontakcie z wodą przed wylaniem betonu. Jeśli jakiś fragment taśmy wykazuje wyraźne oznaki spęcznienia przed zamknięciem go w złączu, powinien zostać zastąpiony nowym odcinkiem.
Uwaga:
W przypadku występowania istotnych zanieczyszczeń chemicznych wód gruntowych, należy skonsultować się z dystrybutorem w sprawie odporności materiałów Volclay i ich zastosowania w tych szczególnych warunkach.

Rys. B 3.1 -Typowe stosowanie taśm Waterstop-RX w złączach elementów żelbetowych podwójnie zbrojonych.

Rys. B 3.2 - Typowe stosowanie taśm Waterstop-RX w złączach elementów żelbetowych pojedynczo zbrojonych i betonowych.









